
产品名称:八角垫BX系列
产品分类:BX系列

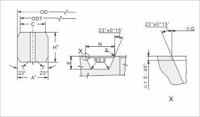
BX型垫片
BX型RTJ垫圈制造符合API 6A、6B和ASME b16.20标准,适合API ASME/ANSI B16.5法兰。
样式RX是一个压力能量适应的标准样式R垫片。RX的设计,以适应同一个标准的R R槽设计,使接合互换。修改后的设计采用了压力能量影响。提高密封效率作为系统内部压力增加。
压力:5000-20000 PSI
公差:(mm)
A *(环的宽度)
+ 0.20,-0.000
*(孔尺寸)
±0.5
h(环的高度)
+ 0.20,-0.000
外径(外径)
0、-0.150
23 *(角)
1/4°
注1:环的半径应为8%~12%的环高度H。
一个压力通道孔要求每环中心线*宽度* *和高* H * 0.008inches加公差是允许的。只要宽度或高度的变化在整个圆周上不超过0.004英寸
也可用于海底应用设计。
环号 | PRESSLURE ALASSES, API 6BX | 外直径 OD | 环高 H | 环宽 A | 孔尺寸 D | 环垫重量 Ibs. for APL 66x flanges | |||||
2000 | 3000 | 5000 | 10000 | 15000 | 20000 | ||||||
Bx150 | - | - | - | 1 11/16 | 1 11/16 | - | 72.19 | 9.30 | 9.30 | 1.59 | 0.295 |
Bx151 | - | - | - | 1 13/16 | 1 13/16 | 1 13/16 | 76.40 | 9.63 | 9.63 | 1.59 | 0.337 |
Bx152 | - | - | - | 2 1/16 | 2 1/16 | 2 1/16 | 84.68 | 10.24 | 10.24 | 1.59 | 0.425 |
Bx153 | - | - | - | 2 9/16 | 2 9/16 | 2 9/16 | 100.94 | 11.38 | 11.38 | 1.59 | 0.632 |
Bx154 | - | - | - | 3 1/16 | 3 1/16 | 3 1/16 | 116.84 | 12.40 | 12.40 | 1.59* | 0.875 |
Bx155 | - | - | - | 4 1/16 | 4 1/16 | 4 1/16 | 147.96 | 14.22 | 14.22 | 1.59 | 1.22 |
Bx156 | - | - | - | 7 1/16 | 7 1/16 | 7 1/16 | 237.92 | 18.62 | 18.62 | 3.18 | 4.14 |
Bx157 | - | - | - | 9 | 9 | 9 | 294.46 | 20.98 | 20.98 | 3.18 | 6.55 |
Bx158 | - | - | - | 11 | 11 | 11 | 352.04 | 23.14 | 23.14 | 3.18 | 9.60 |
Bx159 | - | - | - | 13 5/8 | 13 5/8 | 13 5/8 | 426.72 | 25.70 | 25.70 | 3.18 | 14.41 |
Bx160 | - | - | 13 5/8 | - | - | - | 402.59 | 23.83 | 13.74 | 3.18 | 6.75 |
Bx161 | - | - | 16 3/4 | - | - | - | 491.41 | 28.07 | 16.21 | 3.18 | - |
Bx162 | - | - | 16 3/4 | 16 3/4 | 16 3/4 | - | 475.49 | 14.22 | 14.22 | 1.59 | - |
Bx163 | - | - | 18 3/4 | - | - | - | 556.16 | 30.10 | 17.37 | 3.18 | - |
Bx164 | - | - | - | 18 3/4 | 18 3/4 | - | 570.56 | 30.10 | 24.59 | 3.18 | - |
Bx165 | - | - | 21 1/4 | - | - | - | 624.71 | 32.03 | 18.49 | 3.18 | - |
Bx166 | - | - | - | 21 1/4 | - | - | 640.03 | 32.03 | 26.14 | 3.18 | - |
Bx167 | 26 3/4 | - | - | - | - | - | 759.36 | 35.87 | 13.11 | 1.59 | - |
Bx168 | - | 26 3/4 | - | - | - | - | 765.25 | 35.87 | 16.05 | 1.59 | - |
Bx169 | - | - | - | 5 1/8 | - | - | 173.51 | 15.85 | 12.93 | ||
上一篇:BX系列剖视图
下一篇:没有了!